
性能特点:
1、性能可靠、精度稳定;
2、手动行程长度调节机械锁定;
3、传动机构润滑油全封闭,增强使用寿命;
应用:
1、污水处理、加矾、加酸、碱;
2、造纸过程加助剂,加絮凝剂;
3、纺织、印染行业、冶金,机械行业;
4、电力系统化水处理,炉水加药。
选型代码:

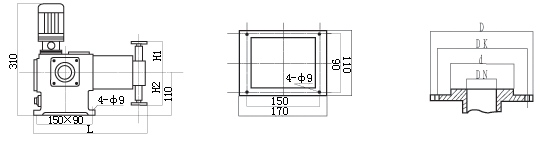
技术参数:
|
型号规格
|
流量(L/h)
|
压力(Mpa)
|
安装尺寸(mm)
|
|
DN
|
D
|
K
|
d
|
H1
|
H2
|
L
|
|
JW-JM-26/1.0
|
26
|
1.0
|
7
|
|
|
|
122
|
122
|
|
|
JW-JM-52/1.0
|
52
|
1.0
|
|
JW-JM-30/1.0
|
30
|
1.0
|
|
JW-JM-60/1.0
|
60
|
1.0
|
|
JW-JM-75/0.5
|
75
|
0.5
|
|
JW-JM-150/0.5
|
150
|
0.5
|
电机功率:0.25KW 转速:1400r/min
安装尺寸(mm):

|