
性能特点:
1、zui大流量500L/h,zui高压力25Mpa;
2、脉冲小、噪音低。
技术参数:
|
型号规格
|
流量(L/h)
|
压力(Mpa)
|
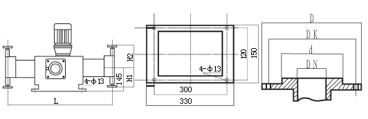
安装尺寸(mm)
|
|
DN
|
D
|
K
|
d
|
H1
|
H2
|
L
|
|
2J-X-8/25
|
8
|
25
|
8
|
90
|
60
|
41
|
162
|
162
|
|
|
2J-X-14/16
|
14
|
16
|
|
2J-X-22/10
|
22
|
10
|
|
2J-X-38/6.4
|
38
|
6.4
|
|
2J-X-62/4.0
|
62
|
4.0
|
|
2J-X-125/2.5
|
125
|
2.5
|
|
2J-X-250/1.6
|
250
|
1.6
|
12
|
95
|
60
|
46
|
167
|
167
|
|
|
2J-X-310/1.2
|
310
|
1.2
|
|
2J-X-390/1.0
|
390
|
1.0
|
|
2J-X-500/0.5
|
500
|
0.5
|
电机功率:0.55KW-0.75KW 转速:1400r/min
安装尺寸(mm):

|